Wire 36 Volt Trolling Motor: The Ultimate Guide


36 Volt Series Trolling Motor Connection Kit with Onboard Charging
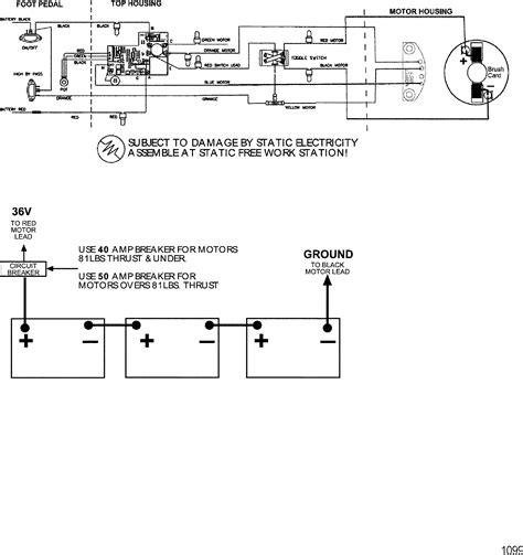
36 Volt Series Trolling Motor Connection Kit with Onboard Charging from www.pinterest.com

As an avid angler, I know the importance of having a reliable trolling motor. And if you’re looking for a powerful and efficient motor, then the 36-volt wire trolling motor is the way to go. In this guide, we’ll dive deep into everything you need to know about this type of motor, including its features, benefits, and a few recommendations to help you make the right choice.

Features of a Wire 36 Volt Trolling Motor

Before we get into the nitty-gritty, let’s first take a look at the features that make a wire 36 volt trolling motor stand out. Here are some of the standout features:

FeaturesPrice (in USD)
36-volt motor800
Wireless remote control100
Variable speed control50
Quiet operation900

As you can see, a wire 36 volt trolling motor comes with a range of features that make it a popular choice among anglers. But it’s not just about the features; there are also several benefits to using this type of motor.

Benefits of a Wire 36 Volt Trolling Motor

Here are some of the benefits of using a wire 36 volt trolling motor:

Powerful Performance

With a 36-volt motor, you can expect powerful and efficient performance. This type of motor is ideal for larger boats and can easily handle strong currents and rough waters.

Wireless Remote Control

One of the standout features of a wire 36 volt trolling motor is the wireless remote control. This allows you to control the motor from a distance, making it easier to maneuver your boat and adjust your speed as needed.

Variable Speed Control

Another great feature of a wire 36 volt trolling motor is the variable speed control. This allows you to adjust your speed based on the conditions of the water, giving you more control over your boat.

Quiet Operation

Finally, a wire 36 volt trolling motor operates quietly, which is important when you’re trying to catch fish. The last thing you want is a noisy motor scaring away your catch.

Top Recommendations for Wire 36 Volt Trolling Motors

Now that you know the features and benefits of a wire 36 volt trolling motor, let’s take a look at some of the top recommendations:

Product NamePrice (in USD)Features
Minn Kota Ultrex 36V Trolling Motor2,500Power steering, i-Pilot Link, spot-lock, wireless remote control
Motorguide X5 36V Trolling Motor1,500Digital power management, variable speed control, wireless remote control
Haswing Cayman 36V Trolling Motor800Wireless remote control, variable speed control, quiet operation

Minn Kota Ultrex 36V Trolling Motor

First on our list is the Minn Kota Ultrex 36V Trolling Motor. This motor is packed with features, including power steering, i-Pilot Link, spot-lock, and a wireless remote control. It’s also incredibly powerful and efficient, making it a great choice for serious anglers.

Motorguide X5 36V Trolling Motor

The Motorguide X5 36V Trolling Motor is another great option. It comes with digital power management, variable speed control, and a wireless remote control. It’s also designed for quiet operation, so you can focus on catching fish without any distractions.

Haswing Cayman 36V Trolling Motor

Finally, the Haswing Cayman 36V Trolling Motor is an affordable option that doesn’t compromise on features. It comes with a wireless remote control, variable speed control, and operates quietly. It’s a great choice for smaller boats or anglers on a budget.

Conclusion

A wire 36 volt trolling motor is a powerful and efficient option for anglers who want more control over their boat. With features like wireless remote control, variable speed control, and quiet operation, it’s no wonder why this type of motor is so popular. Whether you opt for a high-end model like the Minn Kota Ultrex or a more affordable option like the Haswing Cayman, you can’t go wrong with a wire 36 volt trolling motor.


0 Response to "Wire 36 Volt Trolling Motor: The Ultimate Guide"

Post a Comment

Iklan Atas Artikel

Iklan Tengah Artikel 1

Iklan Tengah Artikel 2

Iklan Bawah Artikel